Werkstoff: Gehäuse Sinterstahl bzw. GG20. Hebelarm St52. Kettenrad aus Stahl.

Das Spannelement, ein kontinuierlich spannendes Torsionselement, verlängert die Lebensdauer von Ketten- und Riementrieben um mindestens 30% und reduziert drastisch Unterhalts- und Reparaturarbeiten. Die einmalige Funktionsweise dieser Feder bietet einen langen Spannweg, zumal der Hebelarm in beiden Richtungen bis zu 30 ° vorgespannt werden kann. Die permanente Torsionskraft kompensiert nicht nur automatisch die Kettenlängung, das gummigelagerte Element wirkt auch als Dämpfer von Vibrationen und Schlägen im gesamten Antrieb. Weitere Vorteile: Kettenspur einstellbar, Gummidämpfung, im Winkelbereich von 360 ° einstellbar, Spanndruck stufenlos von "normal" bis" hart" einstellbar. Für beide Spannrichtungen geeignet.

Service:

Katalogseite

Zusätzliche Informationen

CAD Daten



Die angebotenen CAD-Daten, Abbildungen und technischen Zeichnungen werden mit größtmöglicher Sorgfalt erstellt.
Dennoch kann keine Gewährleistung für die Fehlerfreiheit und Genauigkeit dieser Daten übernommen werden.

Auf Lager: Ja

Artikelnr.: 14053100

Staffelpreis in CHF pro STK:

15102550100
144,41129,15115,13105,9995,9689,68

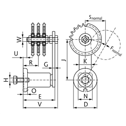
DIN / ISO-Nr.06 B-3
Teilung [Zoll]3/8 x 7/32
Zähnezahl15
Teilkreis-Ø [mm]45,81
Spannelement [Größe]2
Fmax. bei normal [N]350
Fmax. bei hart [N]440
Smax. bei normal [mm]50
Smax. bei hart [mm]40
D [mm]58
E [mm]79 +1,5 -0,5
G [mm]7
H [mm]M10
J [mm]100
K [mm]30
N [mm]35
O [mm]10,5
R [mm]25-45
U [mm]6
V [mm]85
W [mm]M 10
Gewicht [kg]0,9

Zurück zur Übersicht


Impressum AGB Hilfe Index


MÄDLER on Facebook Facebook MÄDLER on Youtube YouTube MÄDLER on X X MÄDLER on Instagram Instagram MÄDLER on Xingk Xing MÄDLER on Linkedin LinkedIn