Werkstoff: 1.4301 bzw. 1.4308 (V2A). Diese Spannelemente eignen sich für die Spannung herkömmlicher Ketten- und Riementriebe. Die Federkörper basieren auf hochelastischem, formbeständigem Naturgummi. Für beide Spannrichtungen geeignet. Temperaturbereich -40 ° C bis +80 °C.

Service:

Katalogseite

Zusätzliche Informationen

CAD Daten



Die angebotenen CAD-Daten, Abbildungen und technischen Zeichnungen werden mit größtmöglicher Sorgfalt erstellt.
Dennoch kann keine Gewährleistung für die Fehlerfreiheit und Genauigkeit dieser Daten übernommen werden.

Auf Lager: Ja

Artikelnr.: 14099802

Staffelpreis in CHF pro STK:

15102550
196,23186,43176,58166,78156,95

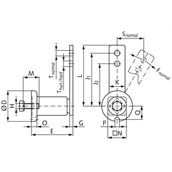
Größe2
Fmax. bei normal [N]350
Fmax. bei hart [N]440
s max. bei normal [mm]50,0
s max. bei hart [mm]40
D [mm]58
E [mm]79 +1,5 -0,5
G [mm]7
H [mm]M 10
J1 [mm]100
J2 [mm]80
K [mm]30
L [mm]115
M [mm]30
N [mm]35
O [mm]10,5
P [mm]8,5
Q [mm]25,3
T [mm]10,5
MA [Nm]49
Gewicht [kg]0,70

Zurück zur Übersicht


Impressum AGB Hilfe Index


MÄDLER on Facebook Facebook MÄDLER on Youtube YouTube MÄDLER on X X MÄDLER on Instagram Instagram MÄDLER on Xingk Xing MÄDLER on Linkedin LinkedIn