Werkstoff:

Artikel-Nr. 622 302 05 bis 622 304 05 aus Messing. Artikel-Nr. 622 303 05 bis 622 318 20 aus Aluminium.

Um eine optimale Welle-Naben-Verbindung zu gewährleisten,

sollten die Bohrungs-Reduzierbuchsen wie folgt verwendet werden:

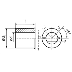
""S"" zeigt Stellschrauben in der Stellschraubennabe.

"" T"" zeigt tangentiale Befestigungsschrauben der Klemmnabe.

"" F"" zeigt die empfohlene Lage der abgeflachten Welle bei

Stellschraubennaben. Bitte beachten, dass sowohl Konzentrizität als auch Gleichlauf durch das Verwenden von Buchsen beeinflusst werden können. Um best mögliche Werte zu erzielen, werden Wellen der Toleranzklasse h6


empfohlen. Wellen mit Untermaß sind weniger effektiv. Aus den gleichen Gründen sind abgeflachte Wellen, bei denen mehr als 1/4 des Durchmessers entfernt ist, nicht zu empfehlen.

Service:

Katalogseite

CAD Daten



Die angebotenen CAD-Daten, Abbildungen und technischen Zeichnungen werden mit größtmöglicher Sorgfalt erstellt.
Dennoch kann keine Gewährleistung für die Fehlerfreiheit und Genauigkeit dieser Daten übernommen werden.

Auf Lager: Ja

Artikelnr.: 62231020

Staffelpreis in CHF pro STK:

15102550100
23,8521,9220,0118,1116,1714,32

passend für Kreuzgelenkwellen630 836 00
d+0,03 [mm]10
d1 [mm]20,0
l [mm]20,0
Gewicht [g]6

Zurück zur Übersicht


Impressum AGB Hilfe Index


MÄDLER on Facebook Facebook MÄDLER on Youtube YouTube MÄDLER on X X MÄDLER on Instagram Instagram MÄDLER on Xingk Xing MÄDLER on Linkedin LinkedIn