Die Anbau-Klemmkörperfreiläufe in Premiumqualität der Baureihe BSEU wurden als klassische Rücklaufsperre für unterschiedlichste Förderbandgrößen, Becherwerke und Schrägförderer entwickelt. Diese Rücklaufsperren nach europäischer Bauart werden in Anwendungen mit niedrigen Drehzahlen eingesetzt.

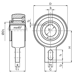
Passfedernut: nach DIN 6885-1.

Einbau: Empfohlene Wellentoleranz h7 oder h8. Die Drehrichtung des Innenrings muss der Drehrichtung der Anwendung entsprechen. Die Drehrichtung ist durch einen Markierungspfeil am Innenring angegeben.

Schmierung: Mit Tieftemperaturfett lebensdauergeschmiert.

Temperaturbereich: -40°C bis + 50°C. Der Temperaturbereich gilt für die angegebene max. Überholdrehzahl. Außerhalb dieses Temperaturbereichs kann die angegebene Drehzahl nicht mehr garantiert werden. Sehr niedrige Drehzahlen erlauben eine höhere Temperatur.
In diesem Fall bitten wir um Rücksprache.

Montage: Bei der Montage muss der Freilauf immer mit einer kundenseitigen Passfeder auf der Welle montiert werden. Anschließend befestigen Sie den Freilauf mit einer Endscheibe. Verwenden Sie niemals eine konische / keilförmige Passfeder.

Beim Einbau des Freilaufs auf die Welle nur mit einem weichen Gummihammer Druck auf die Oberfläche des Innenrings aufbringen und den Freilauf nicht unnötigen Stößen aussetzen.

Die Drehung des Außenrings ist mit Hilfe eines Rahmens oder eines Stifts zu verhindern.

Hinweis: Die Belastung des Drehmomentarms muss rechtwinklig zur Wellenrichtung erfolgen. Sonst können sich die Innenteile des Freilaufs verklemmen und eine Beschädigung verursachen.

Zwischen dem Drehmomentarm und dem kundenseitigen Rahmen (Anschlag für den Drehmomentarm) oder dem Langloch im Drehmomentarm und dem Stift ist ein Spiel von 0,5 mm einzustellen. Durch einen starr montierten Drehmomentarm könnte der Freilauf beschädigt werden.

Weitere Ausführungen auf Anfrage.

Service:

Katalogseite

Zusätzliche Informationen



Die angebotenen CAD-Daten, Abbildungen und technischen Zeichnungen werden mit größtmöglicher Sorgfalt erstellt.
Dennoch kann keine Gewährleistung für die Fehlerfreiheit und Genauigkeit dieser Daten übernommen werden.

( freibleibend aus Lagervorrat / kurzfristig lieferbar / Lieferzeit nach Vereinbarung. Bitte fragen Sie nach. )
Artikel Menge dH7
[mm]
D
[mm]
D1
[mm]
B
[mm]
C1
[mm]
G
[mm]
H
[mm]
b
[mm]
t2
[mm]
b1
[mm]
l1
[mm]
l2
[mm]
m
[mm]
Drehmoment
[Nm]
max. Überholdrehzahl
Innenring
[min-1]
Gewicht
[kg]
BSEU25-20
2083421235409062,8153551,02165001,00
BSEU25-25
2583421235409083,3153551,02165000,95
BSEU40-20
201186015554011062,8153581,514404503,73
BSEU40-25
251186015554011083,3153581,514404503,65
BSEU40-30
301186015554011083,3153581,514404503,56
BSEU40-35
3511860155540110103,3153581,514404503,45
BSEU40-40
4011860155540110123,3153581,514404503,32
BSEU70-45
4516590205980140143,81835101,531403507,44
BSEU70-50
5016590205980140143,81835101,531403507,28
BSEU70-55
5516590205980140164,31835102,031403507,09
BSEU70-60
6016590205980140184,41835102,031403506,88
BSEU70-65
6516590205980140184,41835102,031403506,68
BSEU70-70
7016590205980140204,91835102,031403506,43


zur Gruppe


Impressum AGB Hilfe Index


MÄDLER on Facebook Facebook MÄDLER on Youtube YouTube MÄDLER on X X MÄDLER on Instagram Instagram MÄDLER on Xingk Xing MÄDLER on Linkedin LinkedIn