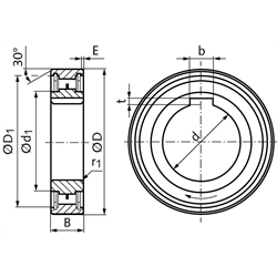
Diese Klemmkörper-Freiläufe ohne eigene Lagerung in Premiumqualität sind als Schaltfreilauf, Rücklaufsperre oder als Überholkupplung einsetzbar. Sie ermöglichen eine kompakte Konstruktion und werden in kundenseitigen Gehäusen eingebaut. Der Anwender hat beim Einbau auf eine einwandfreie Lagerung, Schmierung und Abdichtung zu achten. Radialkräfte sind nicht zulässig. Die Nennmaße d x D x B entsprechen den Abmessungen der Kugellagerreihe 62. Mit Passfedernut am Innenring.

Passfedernut: Die Passfedernut ist bis Durchmesser d=12mm nach DIN 6885-1. Darüber nach DIN 6885-3.

Einbau: Für das Lager und den Freilauf sind die gleichen Einbautoleranzen vorzusehen. Empfohlene Gehäusetoleranz H7. Für die Welle h7. Beim Einbau muss auf die korrekte Drehrichtung geachtet werden. Die Drehrichtung wird durch einen Markierungspfeil auf dem Freilauf angegeben.

Schmierung: Ölschmierung, siehe Zusätzliche Informationen. Öle oder andere Schmiermittel, die EP-Additive enthalten, dürfen nicht verwendet werden.

Temperaturbereich: ca. -10°C bis + 50°C.

Weitere Ausführungen auf Anfrage.


Service:

Katalogseite

Zusätzliche Informationen



Die angebotenen CAD-Daten, Abbildungen und technischen Zeichnungen werden mit größtmöglicher Sorgfalt erstellt.
Dennoch kann keine Gewährleistung für die Fehlerfreiheit und Genauigkeit dieser Daten übernommen werden.

( freibleibend aus Lagervorrat / kurzfristig lieferbar / Lieferzeit nach Vereinbarung. Bitte fragen Sie nach. )
Artikel Menge dH7
[mm]
D
[mm]
B
[mm]
d1
[mm]
D1
[mm]
E
[mm]
r1
[mm]
b
[mm]
t
[mm]
Drehmoment
[Nm]
Schleppmoment
[Nm]
max. Überholdrehzahl
Innenring
[min-1]
max. Überholdrehzahl
Außenring
[min-1]
Gewicht
[g]
TSS8
824811,422,20,60,621,06,70,0056000300014
TSS10
1030915,6270,60,631,4120,0074500230027
TSS12
1232101829,50,60,641,8170,0094000200031
TSS15
15351120,6320,60,651,2220,013500180039
TSS20
20471426,7400,80,861,6410,0126001300115
TSS25
25521532450,80,882,0560,0222001100140
TSS30
30621640550,81,082,01050,031800900215
TSS35
35721745630,81,0102,41360,031600800300
TSS40
40801850720,81,0122,22960,181400700425
TSS45
4585195775,51,21,0142,13470,211300650495
TSS50
50902062821,21,0142,14030,221200600545
TSS60
6011022801001,21,5182,36490,33910460950


zur Gruppe


Impressum AGB Hilfe Index


MÄDLER on Facebook Facebook MÄDLER on Youtube YouTube MÄDLER on X X MÄDLER on Instagram Instagram MÄDLER on Xingk Xing MÄDLER on Linkedin LinkedIn