Winkelgetriebe mit hohem Drehmoment bei sehr geringen Abmessungen. Diese Miniaturgetriebe sind geeignet für vielfältige Einsatzgebiete. 7 Baugrößen in Übersetzung 1:1.
Gehäuse: Aluminium, silbern eloxiert, gegen Fettaustritt und Staubeinwirkung gekapselt, in allen Baulagen montierbar.
Verzahnung: Kegelräder aus Stahl, oberflächengehärtet.
Lagerung: Kugellager mit Gummi-Dichtscheibe RS.
Schmierung: Wartungsfreie Fettschmierung.
Winkelspiel: 3°+/-1°.
Einschaltdauer: 20% bei 5 min.
Lebensdauer: 1.000 Stunden bei voller Belastung und Drehzahl 500 min-1 und Einschaltdauer 20%.
Zul. Betriebstemperatur: -20° bis +60°C.
* Bei Wellendurchmesser 6 mm und 10 mm ist die Passfedergröße nicht nach DIN 6885.

Service:

Katalogseite

Betriebs / Wartungsanleitung



Die angebotenen CAD-Daten, Abbildungen und technischen Zeichnungen werden mit größtmöglicher Sorgfalt erstellt.
Dennoch kann keine Gewährleistung für die Fehlerfreiheit und Genauigkeit dieser Daten übernommen werden.

( freibleibend aus Lagervorrat / kurzfristig lieferbar / Lieferzeit nach Vereinbarung. Bitte fragen Sie nach. )
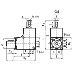
Artikel Menge ÜbersetzungBaugrößeWellen-Ø d
[mm]
Z
[mm]
Drehmoment bei 100min-1
[Nm]
Antriebsleistung bei 100min-1
[W]
B1
[mm]
B2
[mm]
C1
[mm]
E
[mm]
Gewicht
[g]
41000110
1:104 -0,282,9626151018,529
41000101
1:1162*0,353,73218122352
41000102
1:12820,757,93520122573
41000103
1:13104*2,526,242241630142
41000104
1:14124441,946261633149
41000105
1:1512455253301638268
41000106
1:1612488456321640330
41000107
1:1712*1010560351642,5395


zur Gruppe


Impressum AGB Hilfe Index


MÄDLER on Facebook Facebook MÄDLER on Youtube YouTube MÄDLER on X X MÄDLER on Instagram Instagram MÄDLER on Xingk Xing MÄDLER on Linkedin LinkedIn