Werkstoff: Stahl, gehärtet und geschliffen.

Diese Bolzen nach zurückgezogener DIN 6321 werden hauptsächlich in Vorrichtungen, Werkzeugmaschinen und Messvorrichtungen eingesetzt, um Werkstücke präzise zu positionieren, zu stützen oder abzustützen.
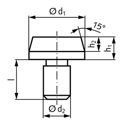
Form B: Diese Bolzen werden zum Positionieren von Werkstücken und Vorrichtungsteilen in Bohrungen mit Passmaß verwendet. Sie helfen, präzise gebohrte Teile in die richtige Position zu
bringen. Eine Zentrierung im Aufnahmebolzen ist nach DIN 6321 zulässig.

Empfohlene Toleranz der Aufnahmebohrung ist H7.

Service:

Katalogseite



Die angebotenen CAD-Daten, Abbildungen und technischen Zeichnungen werden mit größtmöglicher Sorgfalt erstellt.
Dennoch kann keine Gewährleistung für die Fehlerfreiheit und Genauigkeit dieser Daten übernommen werden.

( freibleibend aus Lagervorrat / kurzfristig lieferbar / Lieferzeit nach Vereinbarung. Bitte fragen Sie nach. )
Artikel Menge Ausführungd1g6
[mm]
d2n6
[mm]
h1
[mm]
h2
[mm]
l
[mm]
Gewicht
[g]
61960607B
kurz647461,7
61960612B
lang6412463
61960810B
kurz8610694,9
61960816B
lang8616698
61961010B
kurz10610696,9
61961018B
lang106186912
61961210B
kurz126106910
61961218B
lang126186917
61961613B
kurz1681381222
61961622B
lang1682281236
61962015B
kurz20121591858
61962025B
lang20122591873
61962515B
kurz25121591866
61962525B
lang251225918106


zur Gruppe


Impressum AGB Hilfe Index


MÄDLER on Facebook Facebook MÄDLER on Youtube YouTube MÄDLER on X X MÄDLER on Instagram Instagram MÄDLER on Xingk Xing MÄDLER on Linkedin LinkedIn