Werkstoff: Spezielle Ketten-Stähle.

Nach DIN ISO 606 (ex DIN 8187).  

Service:

Katalogseite

Zusätzliche Informationen



Die angebotenen CAD-Daten, Abbildungen und technischen Zeichnungen werden mit größtmöglicher Sorgfalt erstellt.
Dennoch kann keine Gewährleistung für die Fehlerfreiheit und Genauigkeit dieser Daten übernommen werden.

( freibleibend aus Lagervorrat / kurzfristig lieferbar / Lieferzeit nach Vereinbarung. Bitte fragen Sie nach. )
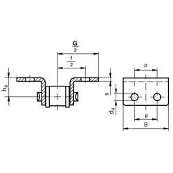
Artikel Menge AusführungDIN ISOp
[mm]
h4
[mm]
d4
[mm]
f/2
[mm]
G/2
[mm]
B
[mm]
s
[mm]
Gewicht
[g]
10100322
zweiseitig06 B-19,5256,53,59,513,517,61,26,2
10500322
zweiseitig08 B-112,78,94,512,717,623,21,618,4
10600322
zweiseitig10 B-115,87510,35,515,922,529,51,729
10700322
zweiseitig12 B-119,0513,56,619,0526,533,81,840
10800322
zweiseitig16 B-125,415,96,625,436,346,22,8116


zur Gruppe


Impressum AGB Hilfe Index


MÄDLER on Facebook Facebook MÄDLER on Youtube YouTube MÄDLER on X X MÄDLER on Instagram Instagram MÄDLER on Xingk Xing MÄDLER on Linkedin LinkedIn