Werkstoff: Aluminium, rot eloxiert ähnlich RAL 3003, Schrauben Edelstahl A2-70.

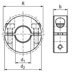
Merkmale: Beschädigen nicht die Welle, größere Haltekräfte als Stellringe, gleichmäßige Verteilung der Klemmkräfte, einfache Neujustierung, absolut präzise Bohrungen. Die Gewinde der Schrauben DIN 912 sind mit einer Polyamidschicht überzogen. Toleranz b: +0,08mm -0,25mm. Temperaturbereich: -40°C bis +175°C.

Service:

Katalogseite



Die angebotenen CAD-Daten, Abbildungen und technischen Zeichnungen werden mit größtmöglicher Sorgfalt erstellt.
Dennoch kann keine Gewährleistung für die Fehlerfreiheit und Genauigkeit dieser Daten übernommen werden.

( freibleibend aus Lagervorrat / kurzfristig lieferbar / Lieferzeit nach Vereinbarung. Bitte fragen Sie nach. )
Artikel Menge d1
[mm]
d2
[mm]
R
[mm]
b
[mm]
Schrauben
[DIN 912]
Gewicht
[g]
62367408R
81822,49M3 x 84
62367410R
102426,09M3 x 88
62367412R
122831,811M4 x 1213
62367415R
153439,413M5 x 1423
62367416R
163439,413M5 x 1422
62367420R
204046,415M6 x 1635
62367425R
254550,815M6 x 1641
62367430R
305458,615M6 x 1859


zur Gruppe


Impressum AGB Hilfe Index


MÄDLER on Facebook Facebook MÄDLER on Youtube YouTube MÄDLER on X X MÄDLER on Instagram Instagram MÄDLER on Xingk Xing MÄDLER on Linkedin LinkedIn