Werkstoff: Stahl C45, Zähne induktiv gehärtet (ca. HRC 50).

Bohrungen vorgebohrt.
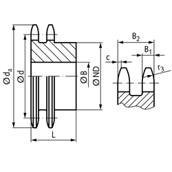
Allgemeine Abmessungen: B1 = 9 mm, B2 = 25,5 mm, c = 1,6 mm, r3 = 16 mm.
Weitere Abmessungen siehe Tabelle.

Service:

Katalogseite



Die angebotenen CAD-Daten, Abbildungen und technischen Zeichnungen werden mit größtmöglicher Sorgfalt erstellt.
Dennoch kann keine Gewährleistung für die Fehlerfreiheit und Genauigkeit dieser Daten übernommen werden.

( freibleibend aus Lagervorrat / kurzfristig lieferbar / Lieferzeit nach Vereinbarung. Bitte fragen Sie nach. )
Artikel Menge Zähnezahlda
[mm]
d
[mm]
ND
[mm]
B
[mm]
L
[mm]
Gewicht
[kg]
12688108
847,641,482512400,21
12688109
952,746,423012400,29
12688110
1057,851,373512400,38
12688111
1162,956,353914400,47
12688112
1268,061,344414400,58
12688113
1373,166,334914400,71
12688114
1478,171,345414400,85
12688115
1583,276,355914401,01
12688116
1688,381,376416451,28
12688117
1793,386,396916451,48
12688118
1898,491,427416451,69
12688119
19103,596,457916451,92
12688120
20108,5101,488416452,16
12688121
21113,6106,518516452,33
12688122
22118,7111,559016452,59
12688123
23123,7116,599516452,87
12688124
24128,8121,6210016453,16
12688125
25133,9126,6610516453,47
12688127
27144,0136,7411020453,95
12688130
30159,1151,8712020454,87
12688132
32169,3161,9612020455,34
12688136
36189,5182,1512020456,38
12688138
38199,6192,2412020456,96


zur Gruppe


Impressum AGB Hilfe Index


MÄDLER on Facebook Facebook MÄDLER on Youtube YouTube MÄDLER on X X MÄDLER on Instagram Instagram MÄDLER on Xingk Xing MÄDLER on Linkedin LinkedIn