Werkstoff: Ultrahochmolekulares Polyethylen PE-UHMW. Zur Unterstützung schnell laufender Rollenketten bei exakter Führung. - Geringe Geräuschbildung. - Verschleißfest und schlagfest. - Selbstschmierend. - Korrosionsbeständig, beständig gegen verdünnte Säuren und Laugen. - Schmutzabweisend. - Preisgünstig. - Länge 1 Meter oder 2 Meter, teilweise in unterschiedlichen Höhen zur Auswahl. - Temperaturbereich -200°C bis + 60°C (kurzzeitig bis +80°C). Fixlängen und andere Ausführungen auf Anfrage.

Service:

Katalogseite



Die angebotenen CAD-Daten, Abbildungen und technischen Zeichnungen werden mit größtmöglicher Sorgfalt erstellt.
Dennoch kann keine Gewährleistung für die Fehlerfreiheit und Genauigkeit dieser Daten übernommen werden.

( freibleibend aus Lagervorrat / kurzfristig lieferbar / Lieferzeit nach Vereinbarung. Bitte fragen Sie nach. )
Artikel Menge DIN ISO
[Nr.]
Teilung
[Zoll]
Länge
[m]
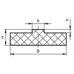
B
[mm]
H
[mm]
b
[mm]
h
[mm]
Gewicht
[kg]
14100100
06 B-13/8 x 7/32"1 m15105,41,50,13
14110100
06 B-13/8 x 7/32"2 m15105,41,50,26
14100300
0831/2 x 3/16"1 m15104,71,60,10
14110300
0831/2 x 3/16"2 m15104,71,60,20
14100500
08 B-11/2 x 5/16"1 m20107,42,20,18
14110500
08 B-11/2 x 5/16"2 m20107,42,20,36
14100501
08 B-11/2 x 5/16"1 m20157,42,20,26
14110501
08 B-11/2 x 5/16"2 m20157,42,20,54
14100502
08 B-11/2 x 5/16"1 m20207,42,20,34
14110502
08 B-11/2 x 5/162 m20207,42,20,68
14100600
10 B-15/8 x 3/8"1 m20159,22,60,25
14110600
10 B-15/8 x 3/8"2 m20159,22,60,50
14100601
10 B-15/8 x 3/8"1 m20209,22,60,33
14110601
10 B-15/8 x 3/8"2 m20209,22,60,66
14100700
12 B-13/4 x 7/16"1 m251511,32,40,32
14110700
12 B-13/4 x 7/16"2 m251511,32,40,64
14100701
12 B-13/4 x 7/16"1 m252011,32,40,43
14110701
12 B-13/4 x 7/16"2 m252011,32,40,86
14100800
16 B-11" x 17,02 mm1 m401516,53,50,45
14110800
16 B-11" x 17,02 mm2 m401516,53,50,90
14100801
16 B-11" x 17,02 mm1 m402016,53,50,68
14110801
16 B-11" x 17,02 mm2 m402016,53,51,36


zur Gruppe


Impressum AGB Hilfe Index


MÄDLER on Facebook Facebook MÄDLER on Youtube YouTube MÄDLER on X X MÄDLER on Instagram Instagram MÄDLER on Xingk Xing MÄDLER on Linkedin LinkedIn