Werkstoff: Bis Zz = 40 Stahl phosphatiert, ab Zz = 44 GG25.

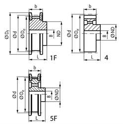
Profil H = 1/2 Zoll = 12,7 mm. Für Riemenbreite 075 = 19,1 mm.

Service:

Katalogseite

Zusätzliche Informationen



Die angebotenen CAD-Daten, Abbildungen und technischen Zeichnungen werden mit größtmöglicher Sorgfalt erstellt.
Dennoch kann keine Gewährleistung für die Fehlerfreiheit und Genauigkeit dieser Daten übernommen werden.

( freibleibend aus Lagervorrat / kurzfristig lieferbar / Lieferzeit nach Vereinbarung. Bitte fragen Sie nach. )
Artikel Menge ZähnezahlAusführungRiemenbreite
[mm]
De
[mm]
Df
[mm]
d
[mm]
ND
[mm]
b
[mm]
L
[mm]
Vorbohrung B
[mm]
Gewicht
[kg]
18401400
141F19,155,2263,056,594026,440100,60
18401500
151F19,159,2766,060,644526,440100,70
18401600
161F19,163,3171,064,674526,440100,77
18401700
171F19,167,3575,068,724526,440120,83
18401800
181F19,171,3979,072,775526,440121,03
18401900
191F19,175,4483,076,816026,440121,14
18402000
201F19,179,4887,080,856226,440121,27
18402100
211F19,183,5291,084,896526,440121,41
18402200
221F19,187,5693,088,936826,440121,54
18402300
231F19,191,6197,092,987226,440121,63
18402400
241F19,195,65103,097,037226,440121,82
18402500
251F19,199,69106,0101,067226,440121,95
18402600
261F19,1103,73111,0105,118026,440122,19
18402700
271F19,1107,78115,0109,158026,440122,33
18402800
281F19,1111,82119,0113,188026,440122,47
18403000
301F19,1119,90127,0121,298026,440142,81
18403200
321F19,1127,99135,0129,308026,440143,08
18403300
331F19,1132,03138133,408026,440143,25
18403400
341F19,1136,07143,0137,458026,440143,41
18403500
351F19,1140,12148,0141,498026,440143,62
18403600
361F19,1144,16152,0145,548026,440143,04
18403800
381F19,1152,24158,0153,628026,440144,20
18404000
401F19,1160,33168,0161,708026,440144,58
18404400
445F19,1176,50184,0177,888026,440182,53
18404800
485F19,1192,67200,0194,039026,445183,34
18405000
50419,1200,75-202,139026,445183,34


zur Gruppe


Impressum AGB Hilfe Index


MÄDLER on Facebook Facebook MÄDLER on Youtube YouTube MÄDLER on X X MÄDLER on Instagram Instagram MÄDLER on Xingk Xing MÄDLER on Linkedin LinkedIn