Werkstoff: Gehäuse aus Stahl, schwarz, pulverbeschichtet.
Spannrolle aus ultrahochmolekularem Polyethylen auf Basis PE-UHMW, elektrostatisch ableitfähig.

Diese besonders niedrigen, einbaufertigen Riemenspanner ermöglichen einen leisen, verschleißarmen Lauf von Riemen.
• Mit zwei Federn unterschiedlicher Stärke, die einzeln oder gemeinsam aktiviert werden können. Damit können drei Spannkräfte eingestellt werden.
• Nutzbarer Spannweg ca. 40mm.
• Max. zulässige Riemengeschwindigkeit 6m/s.

Temperaturbereich: -20°C bis +60°C.

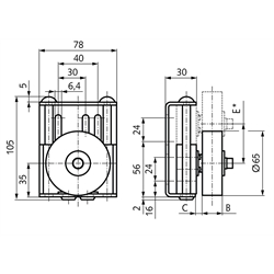
* Spannweg. ** Max. empfohlene Riemenbreite.

Spannkräfte einstellbar:
Der SPANN-BOY® TS hat zwei unterschiedlich starke Federn, die unabhängig voneinander oder auch gemeinsam aktiviert (gelöst) werden können, um drei unterschiedliche Spannkräfte zu erreichen:

Nur die schwache Feder gelöst: 65 - 33 N.
Nur die starke Feder gelöst: 125 - 63 N.
Beide Federn gelöst: 190 - 96 N.

Service:

Katalogseite

Betriebs / Wartungsanleitung



Die angebotenen CAD-Daten, Abbildungen und technischen Zeichnungen werden mit größtmöglicher Sorgfalt erstellt.
Dennoch kann keine Gewährleistung für die Fehlerfreiheit und Genauigkeit dieser Daten übernommen werden.

( freibleibend aus Lagervorrat / kurzfristig lieferbar / Lieferzeit nach Vereinbarung. Bitte fragen Sie nach. )
Artikel Menge B
[mm]
C
[mm]
E*
[mm]
b**
[mm]
F***
[N]
Gewicht
[kg]
14041801
2013401533 - 1900,62
14041802
308402533 - 1900,64
14041803
408403533 - 1900,67


zur Gruppe


Impressum AGB Hilfe Index


MÄDLER on Facebook Facebook MÄDLER on Youtube YouTube MÄDLER on X X MÄDLER on Instagram Instagram MÄDLER on Xingk Xing MÄDLER on Linkedin LinkedIn