Werkstoff: POM, Farbe schwarz.
Verzahnungsqualität 10d DIN 3967. Eingriffswinkel 20 °.
Maße ohne Toleranzangabe nach DIN ISO 2768 mittel.
Temperaturgrenze dauernd 100 °C, kurzzeitig 160 °C. Wasseraufnahme (sättig.) 0,5% Cws.
Weitere Werkstoffrichtwerte siehe Datenblatt.

Service:

Katalogseite

Zusätzliche Informationen



Die angebotenen CAD-Daten, Abbildungen und technischen Zeichnungen werden mit größtmöglicher Sorgfalt erstellt.
Dennoch kann keine Gewährleistung für die Fehlerfreiheit und Genauigkeit dieser Daten übernommen werden.

( freibleibend aus Lagervorrat / kurzfristig lieferbar / Lieferzeit nach Vereinbarung. Bitte fragen Sie nach. )
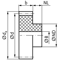
Artikel Menge Zähnezahlb
[mm]
da
[mm]
d
[mm]
NL
[mm]
ND
[mm]
BJS10
[mm]
zul. MD
[Nm]
Gewicht
[g]
29611010
10202420151580,759,9
29611012
12202824151881,0415,4
29611014
14203228152081,3523,0
29611015
15203430152481,5525,9
29611016
16203632152581,7332,0
29611018
18204036152582,0635,3
29611020
20204440153082,6946,4
29611024
242052481535124,2564,6
29611025
252054501535124,6368,9
29611030
302064601540127,1998,9
29611032
322068641540128,38110
29611035
352074701545129,75140
29611036
3620767215501211,4148
29611040
4020848015501214,4175
29611045
4520949015601217,6230
29611050
502010410015701519,8289
29611060
602012412015701524,0385
29611070
702014414015701528,3450
29611072
722014814415701529,1500
29611080
802016416015802032,4600
29611090
902018418015902036,1821


zur Gruppe


Impressum AGB Hilfe Index


MÄDLER on Facebook Facebook MÄDLER on Youtube YouTube MÄDLER on X X MÄDLER on Instagram Instagram MÄDLER on Xingk Xing MÄDLER on Linkedin LinkedIn