Werkstoff: Messing Ms58 (2.0401). 20 ° schräg verzahnt, rechtssteigend. Eingriffswinkel 20°. Schrägverzahnte Stirnzahnräder stehen grundsätzlich in Rechts/Linkspaarung miteinander im Eingriff. Die rechtssteigenden Zahnräder sind verwendbar mit den linkssteigenden Zahnstangen Art. 26960500 oder 26960600.

Service:

Katalogseite

Zusätzliche Informationen



Die angebotenen CAD-Daten, Abbildungen und technischen Zeichnungen werden mit größtmöglicher Sorgfalt erstellt.
Dennoch kann keine Gewährleistung für die Fehlerfreiheit und Genauigkeit dieser Daten übernommen werden.

( freibleibend aus Lagervorrat / kurzfristig lieferbar / Lieferzeit nach Vereinbarung. Bitte fragen Sie nach. )
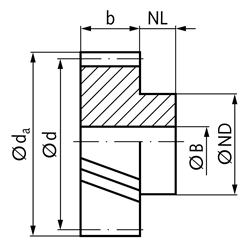
Artikel Menge AusführungZähnezahlb
[mm]
da
[mm]
d
[mm]
Nl
[mm]
ND
[mm]
Vorbohrung BH7
[mm]
zul. MD
[Ncm]
Gewicht
[g]
26921800
rechts181010,69,586849,66,7
26922200
rechts221012,711,71610615,09,6
26922500
rechts251014,313,3612620,517,6
26923000
rechts301017,015,96614831,024,3
26923400
rechts341019,118,09616842,027,0
26924000
rechts401022,321,28818860,038,0


zur Gruppe


Impressum AGB Hilfe Index


MÄDLER on Facebook Facebook MÄDLER on Youtube YouTube MÄDLER on X X MÄDLER on Instagram Instagram MÄDLER on Xingk Xing MÄDLER on Linkedin LinkedIn