Werkstoff: G-CuSn12, Zähne hohlgefräst.

Zweigängige Schneckenräder mit beidseitiger Nabe. Zur Kombination mit zweigängigen Standard-Hohlschnecken oder Standard-Schneckenwellen Modul 2,0. Durch die unterschiedlichen Schneckenräder können verschiedene Übersetzungen bei verschiedenen Achsabständen realisiert werden (siehe Auflistung auf der PDF-Katalogseite).

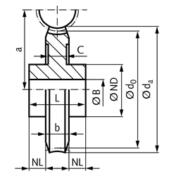
Eingriffswinkel 20° .

Wirkungsgrad: ca. 0,66. Nicht selbsthemmend. *Die Schneckenräder werden je nach Vormaterial mit oder ohne Maß C geliefert!

Service:

Katalogseite

Katalogseite

Zusätzliche Informationen



Die angebotenen CAD-Daten, Abbildungen und technischen Zeichnungen werden mit größtmöglicher Sorgfalt erstellt.
Dennoch kann keine Gewährleistung für die Fehlerfreiheit und Genauigkeit dieser Daten übernommen werden.

( freibleibend aus Lagervorrat / kurzfristig lieferbar / Lieferzeit nach Vereinbarung. Bitte fragen Sie nach. )
Artikel Menge ZähnezahlÜbersetzungd0
[mm]
da
[mm]
ND
[mm]
NL
[mm]
b
[mm]
L
[mm]
C *
[mm]
a
[mm]
BH7
[mm]
zul. MD
[Nm]
Gewicht
[g]
30150500
168 : 13237,6208/81430-3282,40140
30150700
2010 : 14045,63010/101434-36124,10260
30151300
3015 : 16065,64010/101434-461211,20600
30151800
4020 : 18085,64010/10143411561226,80650
30152000
5025 : 1100105,64010/10143411661248,90760
30152400
6030 : 1120125,65010/10143411761269,501200


zur Gruppe


Impressum AGB Hilfe Index


MÄDLER on Facebook Facebook MÄDLER on Youtube YouTube MÄDLER on X X MÄDLER on Instagram Instagram MÄDLER on Xingk Xing MÄDLER on Linkedin LinkedIn