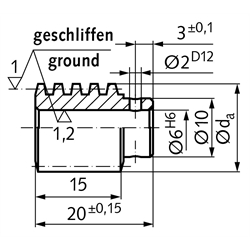
Werkstoff: Stahl 11SMn30 (1.0715), rissgeprüft, einsatzgehärtet HV620-700, geschliffen. Eingriffswinkel 15°. Bitte beachten: Diese Schnecken können nur mit Rädern des gleichen Achsabstandes und mit dem gleichen Übersetzungsverhältnis zum Satz kombiniert werden. Für den Getriebebau ist nur die Stiftlochbohrung zu erweitern. Daher schnelle Montage möglich. Die Werte für den Wirkungsgrad sind Richtwerte, da Lagerung, Schmierung, Drehzahl und Einbau den Wirkungsgrad zusätzlich zum Steigungswinkel beeinflussen. * Schnecke nur poliert. ** Schnecke hat nur Nabendurchmesser 9mm.

Service:

Katalogseite

Betriebs / Wartungsanleitung

Zusätzliche Informationen



Die angebotenen CAD-Daten, Abbildungen und technischen Zeichnungen werden mit größtmöglicher Sorgfalt erstellt.
Dennoch kann keine Gewährleistung für die Fehlerfreiheit und Genauigkeit dieser Daten übernommen werden.

( freibleibend aus Lagervorrat / kurzfristig lieferbar / Lieferzeit nach Vereinbarung. Bitte fragen Sie nach. )
Artikel Menge Übersetzung
[i]
ModulGangzahlSteigungswinkel
[°]
da
[mm]
Wirkungsgrad
[Eta]
Gewicht
[g]
32010200
2,25 : 1 *0,9848°1511,950,807
32010400
4,5 : 10,75621°5013,600,7511
32010500
5 : 10,7621°3712,800,7412
32010700
7 : 11314°0414,340,6812
32010900
9 : 10,7539°4014,900,6114
32011000
10 : 10,75311°4812,500,649
32011500
15 : 10,7527°3812,800,5410
32012500
25 : 10,914°3213,200,4210
32013000
30 : 10,7513°4512,950,3710
32014000
40 : 10,512°0314,980,2616
32015000
50 : 1 **0,513°129,950,335
32016000
60 : 10,412°1810,750,268
32017500
75 : 10,311°2812,340,1910
32018000
80 : 10,311°4310,600,2110


zur Gruppe


Impressum AGB Hilfe Index


MÄDLER on Facebook Facebook MÄDLER on Youtube YouTube MÄDLER on X X MÄDLER on Instagram Instagram MÄDLER on Xingk Xing MÄDLER on Linkedin LinkedIn