Werkstoff: Edelstahl 1.4401 (V4A).

Spannsatz für niedrigere Drehmomente, nicht selbstzentrierend.

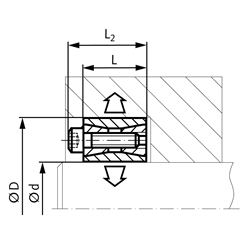
Passungen: Welle h8, Nabe H8. Rautiefe Rz: max. 16 µm.

Montage: Spannsatz leicht geölt einbauen. Kein MoS2 oder Fett verwenden. Schrauben gegenüberliegend versetzt in mehreren Stufen auf Anziehmoment anziehen.

Demontage: Durch die großen Kegelwinkel löst sich der Spannsatz nach dem Lösen der Schrauben von selbst. Zum Entfernen des vorderen Ringes sind an 3 Schrauben größere Gewindegänge vorhanden, die in den vorderen Ring eingreifen.


Service:

Katalogseite



Die angebotenen CAD-Daten, Abbildungen und technischen Zeichnungen werden mit größtmöglicher Sorgfalt erstellt.
Dennoch kann keine Gewährleistung für die Fehlerfreiheit und Genauigkeit dieser Daten übernommen werden.

( freibleibend aus Lagervorrat / kurzfristig lieferbar / Lieferzeit nach Vereinbarung. Bitte fragen Sie nach. )
Artikel Menge d
[mm]
D
[mm]
L
[mm]
L2
[mm]
Übertragbares Drehmoment T
[Nm]
Axialkraft Fax
[kN]
Flächenpressung Welle PW
[N/mm²]
Flächenpressung Nabe PN
[N/mm²]
Schrauben (DIN 912, A2-70)Anzugsmoment TA
[Nm]
Gewicht
[kg]
61599514
144220269514154518 x M680,18
61599515
154220269514148538 x M680,18
61599516
1644202610014135538 x M680,18
61599517
1744202610514125498 x M680,18
61599518
1847202611013102438 x M680,18
61599519
1947202613015119508 x M680,18
61599520
2047202616016124528 x M680,21
61599522
2247202618016107488 x M680,2
61599524
2450202621517114548 x M680,22
61599525
2550202623017108548 x M680,22
61599528
28552026300191105510 x M680,27
61599530
3055202633019975210 x M680,25
61599532
32602026420231126012 x M680,3
61599535
35602026520231046012 x M680,29
61599538
38652026650261076214 x M680,33
61599540
40652026700261016114 x M680,32
61599545
45752432750371056212 x M8180,53
61599550
50802432100036955712 x M8180,56
61599555
558524321400431066814 x M8180,65
61599560
60902432150045936114 x M8180,66
61599565
65952432180048986616 x M8180,72
61599570
7011028382200621096814 x M10351,27
61599575
751152838240068936014 x M10351,33
61599580
801202838260068936214 x M10351,35


zur Gruppe


Impressum AGB Hilfe Index


MÄDLER on Facebook Facebook MÄDLER on Youtube YouTube MÄDLER on X X MÄDLER on Instagram Instagram MÄDLER on Xingk Xing MÄDLER on Linkedin LinkedIn