Werkstoff: Stahl.

  • Zur Befestigung einer Nabe (z.B. Antriebsrad, Rotor oder ähnliches) auf einer Welle.
  • Für sehr hohe Drehmomente.
  • Besonders gleichmäßige Verteilung der Flächenpressung.
  • Besonders unempfindlich gegen Biegemomente.
  • Selbstzentrierend.
  • Selbstsichernd.
  • Keine axiale Verschiebung bei der Montage.




Passungen: Welle h8, Nabe H8.
Rautiefe Rz: max. 12,5 µm.
Diese Spannsätze sind in vielen weiteren Größen bis d=600mm für 977.000Nm lieferbar.

Preis und Lieferzeit auf Anfrage

Service:

Katalogseite



Die angebotenen CAD-Daten, Abbildungen und technischen Zeichnungen werden mit größtmöglicher Sorgfalt erstellt.
Dennoch kann keine Gewährleistung für die Fehlerfreiheit und Genauigkeit dieser Daten übernommen werden.

( freibleibend aus Lagervorrat / kurzfristig lieferbar / Lieferzeit nach Vereinbarung. Bitte fragen Sie nach. )
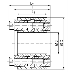
Artikel Menge d
[mm]
D
[mm]
L
[mm]
A
[mm]
L1
[mm]
L2
[mm]
T
[Nm]
Fax
[kN]
PW
[N/mm²]
PN
[N/mm²]
Schrauben 12.9
[Anz. x Größe]
TA
[Nm]
Gewicht
[kg]
61558042
427564-567232901471751038 x M8411,25
61558045
457564-56723500147157958 x M8411,30
61558048
488064-56723670149143908 x M8411,50
61558050
508064-56723800161141918 x M8411,40
61558055
558564-56724430167140888 x M8411,50
61558060
609064-567255901821309610 x M8411,50
61558065
659564-567260201821349110 x M8411,60
61558070
7011078-70881020029016210010 x M10833,0
61558075
7511578-70881166030815710110 x M10833,1
61558080
8012078-70881400035116610912 x M10833,5
61558085
8512578-70881620037417011312 x M10833,5
61558090
9013078-70881678038015910712 x M10833,8
61558095
9513578-70881841038915810712 x M10834,0
61558100
100145100-901122660053315810912 x M121456,0
61558110
110155100-901122920053314210112 x M121456,2
61558120
120165100-901123840064115711414 x M121456,8


zur Gruppe


Impressum AGB Hilfe Index


MÄDLER on Facebook Facebook MÄDLER on Youtube YouTube MÄDLER on X X MÄDLER on Instagram Instagram MÄDLER on Xingk Xing MÄDLER on Linkedin LinkedIn