Werkstoff: Stahl.

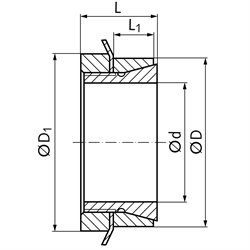
  • Zur Befestigung einer Nabe (z.B. Antriebsrad, Rotor oder ähnliches) auf einer Welle.
  • Für niedrige Drehmomente.
  • Besonders kurze Ausführung.
  • Auch für kleine Nabendurchmesser geeignet.
  • Nicht selbstzentrierend.
  • Selbstlösend bei Demontage.
  • Axiale Verschiebung bei der Montage.



Passungen: Welle h8, Nabe H8.
Rautiefe: max. 12,5 µm.

Service:

Katalogseite



Die angebotenen CAD-Daten, Abbildungen und technischen Zeichnungen werden mit größtmöglicher Sorgfalt erstellt.
Dennoch kann keine Gewährleistung für die Fehlerfreiheit und Genauigkeit dieser Daten übernommen werden.

( freibleibend aus Lagervorrat / kurzfristig lieferbar / Lieferzeit nach Vereinbarung. Bitte fragen Sie nach. )
Artikel Menge d
[mm]
D
[mm]
L
[mm]
L1
[mm]
L2
[mm]
D1
[mm]
T
[Nm]
Fax
[kN]
PW
[N/mm²]
PN
[N/mm²]
Nutmutter 8.8
[Gewindegröße]
TA
[Nm]
Gewicht
[kg]
61520114
142516,56,532395204112M20x1950,05
61520115
152516,56,532435,1192114M20x1950,05
61520116
162516,56,532455,1181114M20x1950,04
61520117
1730186,538556197112M25x1,51600,08
61520118
1830186,538596188113M25x1,51600,08
61520119
1930186,538647181115M25x1,51600,08
61520120
2030186,538697,3174115M25x1,51600,07
61520122
2235186,5451008210132M30x1,52200,10
61520124
2435186,5451088,7191131M30x1,52200,09
61520125
2535186,5451089174124M30x1,52200,09
61520128
284019,575215511185129M35x1,53400,08
61520130
304019,575215811159119M35x1,53400,09
61520132
324521,585820812165119M40x1,54800,18
61520135
354521,585822513150118M40x1,54800,17
61520136
364521,585824013,5149120M40x1,54800,16
61520138
385224,510652871412592M45x1,56800,25
61520140
405224,510653131512194M45x1,56800,24
61520142
425725,510703521612491M50x1,58700,31
61520145
455725,510704001812397M50x1,58700,29
61520148
486225,5107552021140109M55x29700,32
61520150
506225,5107554022135109M55x29700,30
61520155
556827,51280580229880M60x211000,35
61520156
566827,51280610229980M60x211000,34
61520160
607328,512858202811696M65x213000,42
61520163
637930,5149210003111189M70x216000,56
61520165
657930,5149210203210385M70x216000,52
61520170
708431,5149812803611395M75x220000,63


zur Gruppe


Impressum AGB Hilfe Index


MÄDLER on Facebook Facebook MÄDLER on Youtube YouTube MÄDLER on X X MÄDLER on Instagram Instagram MÄDLER on Xingk Xing MÄDLER on Linkedin LinkedIn