Werkstoff: Edelstahl 1.4305 (V2A).

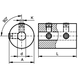
Bei diesen Kupplungen sind Wellenverlagerungen weder in axialer, noch in radialer Richtung möglich. Sie sollten daher nur bei einwandfrei fluchtenden Wellen Verwendung finden. Bohrungstoleranz: +0,05 mm. Die Drehmomentwerte gelten auf Grundlage der Passfeder-Verbindung (nur bei Ausführung mit Nut). Bei Ausführung ohne Passfeder-Verbindung ist das übertragbare Drehmoment geringer, abhängig von der Eindringtiefe der Stellschrauben in die Welle.

Service:

Katalogseite

Zusätzliche Informationen



Die angebotenen CAD-Daten, Abbildungen und technischen Zeichnungen werden mit größtmöglicher Sorgfalt erstellt.
Dennoch kann keine Gewährleistung für die Fehlerfreiheit und Genauigkeit dieser Daten übernommen werden.

( freibleibend aus Lagervorrat / kurzfristig lieferbar / Lieferzeit nach Vereinbarung. Bitte fragen Sie nach. )
Artikel Menge Drehmoment T
[Nm]
d
[mm]
A
[mm]
L
[mm]
K
[mm]
Schrauben
[DIN 916]
Anzugsmoment TA
[Nm]
Gewicht
[g]
60099106
2,7618302M41,7647
60099108
5,4824352M41,76102
60099110
8,11029453M53,2185
60099112
121229454M65,8180
60099114
201434505M65,8272
60099115
221534505M65,8266
60099116
241634505M65,8261
60099120
472042656M65,8518
60099125
912545758M813,6623
60099130
1053053838M813,6920
60099135
15535679510M813,61880
60099140
210407710812M1026,42710


zur Gruppe


Impressum AGB Hilfe Index


MÄDLER on Facebook Facebook MÄDLER on Youtube YouTube MÄDLER on X X MÄDLER on Instagram Instagram MÄDLER on Xingk Xing MÄDLER on Linkedin LinkedIn