Werkstoff: Aluminium. Zahnkranz aus Polyurethan, Shorehärte 98°A (rot).

  • Spielfreie, steckbare, elastische Kupplung.
  • Mit abnehmbaren Halbschalen-Klemmnaben, einbaufertig für schnellste Montage, mit der Möglichkeit der Demontage ohne Ausbau anderer Aggregate.
  • 7 verschiedene Baugrößen und viele Bohrungsgrößen.
  • Maßlich austauschbar mit Kupplungen RN, RNK und anderen Kupplungen vieler anderer Anbieter.
  • Optional mit weicherem Zahnkranz 92°A auf Anfrage.
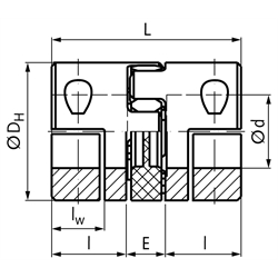
Temperaturbereich -30°C bis +90°C. Ersatz-Zahnringe siehe Tabelle, letzte Spalte. Bitte beachten: Mit * gekennzeichnete Größen sind vorgebohrt (nicht H7). Das Drehmoment ist abhängig von der Größe der Fertigbohrung. Allgemeon: Der Schraubenkopf ragt teilweise über den Außendurchmesser hinaus. Stördurchmesser und weitere Angaben siehe PDF-Katalogseite.

Service:

Katalogseite

Betriebs / Wartungsanleitung

Zusätzliche Informationen



Die angebotenen CAD-Daten, Abbildungen und technischen Zeichnungen werden mit größtmöglicher Sorgfalt erstellt.
Dennoch kann keine Gewährleistung für die Fehlerfreiheit und Genauigkeit dieser Daten übernommen werden.

( freibleibend aus Lagervorrat / kurzfristig lieferbar / Lieferzeit nach Vereinbarung. Bitte fragen Sie nach. )
Artikel Menge BaugrößeDrehmoment max.
[Nm]
Bohrung dH7
[mm]
Bohrungen
max.
[mm]
DH
[mm]
L
[mm]
I
[mm]
IW
[mm]
E
[mm]
Winkelverl.
max
[Grad]
Radial-
versatz
max.
[mm]
Axial-
versatz
max.
[mm]
Drehzahl max.
[1/min]
Gewicht
[g]
Ersatz-Zahnkranz
[Art.-Nr.]
60551403
14 -3*143035118130,90,09+1/-0,5130004160519814
60551410
145,510143035118130,90,09+1/-0,5130004160519814
60551411
145,611143035118130,90,09+1/-0,5130004160519814
60551414
146,114143035118130,90,09+1/-0,5130004160519814
60551905
19 -5*2040662519,5160,90,06+1,2/-0,51000015060519819
60551914
1929142040662519,5160,90,06+1,2/-0,51000015060519819
60551916
1930162040662519,5160,90,06+1,2/-0,51000015060519819
60551919
1932192040662519,5160,90,06+1,2/-0,51000015060519819
60551920
1932202040662519,5160,90,06+1,2/-0,51000015060519819
60552405
24 -5*2855783022180,90,1+1,4/-0,5700032060519824
60552420
2440202855783022180,90,1+1,4/-0,5700032060519824
60552424
2444242855783022180,90,1+1,4/-0,5700032060519824
60552425
2445252855783022180,90,1+1,4/-0,5700032060519824
60552428
2447282855783022180,90,1+1,4/-0,5700032060519824
60552810
28 -10*3865903525200,90,11+1,5/-0,7600047060519828
60552824
2891243865903525200,90,11+1,5/-0,7600047060519828
60552825
2892253865903525200,90,11+1,5/-0,7600047060519828
60552828
2897283865903525200,90,11+1,5/-0,7600047060519828
60552832
28101323865903525200,90,11+1,5/-0,7600047060519828
60552835
28104353865903525200,90,11+1,5/-0,7600047060519828
60553810
38 -10*45801144533240,90,12+1,8/-0,7500096060519838
60553832
381143245801144533240,90,12+1,8/-0,7500096060519838
60553835
381173545801144533240,90,12+1,8/-0,7500096060519838
60553838
381203845801144533240,90,12+1,8/-0,7500096060519838
60554220
42 -20*50951265036,5260,90,14+2/-14000170060519842
60554235
422173550951265036,5260,90,14+2/-14000170060519842
60554238
422353850951265036,5260,90,14+2/-14000170060519842
60554244
422704450951265036,5260,90,14+2/-14000170060519842
60554250
423105050951265036,5260,90,14+2/-14000170060519842
60554820
48 -20*551051405639,5280,90,16+2,1/-13750250060519848
60554840
4836240551051405639,5280,90,16+2,1/-13750250060519848
60554850
4845250551051405639,5280,90,16+2,1/-13750250060519848


zur Gruppe


Impressum AGB Hilfe Index


MÄDLER on Facebook Facebook MÄDLER on Youtube YouTube MÄDLER on X X MÄDLER on Instagram Instagram MÄDLER on Xingk Xing MÄDLER on Linkedin LinkedIn