Werkstoff: Aluminium kunststoffbeschichtet, schwarz RAL 9011 strukturmatt.

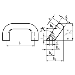
Bügelgriffe 565.2 sind eine Weiterentwicklung der Bügelgriffe 565. Durch ihre abgeschrägte Auflagefläche gestatten sie den ""Zugriff"" auch bei beengten Platzverhältnissen, z. B. in Ecken. Aus gezogenem Aluminiumprofil mit hoher Stabilität und glatter Oberfläche. Gutes Design und ergonomische Gesichtspunkte waren für die Profilgestaltung maßgebend. Durch die Kunststoffbeschichtung wird die ""Griff-Freundlichkeit"" zusätzlich erhöht.

Service:

Katalogseite



Die angebotenen CAD-Daten, Abbildungen und technischen Zeichnungen werden mit größtmöglicher Sorgfalt erstellt.
Dennoch kann keine Gewährleistung für die Fehlerfreiheit und Genauigkeit dieser Daten übernommen werden.

( freibleibend aus Lagervorrat / kurzfristig lieferbar / Lieferzeit nach Vereinbarung. Bitte fragen Sie nach. )
Artikel Menge l1
[mm]
a
[mm]
b1
[mm]
b2
[mm]
d
[mm]
h1
[mm]
h2
[mm]
h3
[mm]
h4 +1
[mm]
r
[mm]
t
[mm]
Gewicht
[g]
66686000
112132024M 632485013,51310100
66686200
128132024M 632485013,51310112
66686400
128172632M 834545718,01712192
66686600
160172632M 834545718,01712225


zur Gruppe


Impressum AGB Hilfe Index


MÄDLER on Facebook Facebook MÄDLER on Youtube YouTube MÄDLER on X X MÄDLER on Instagram Instagram MÄDLER on Xingk Xing MÄDLER on Linkedin LinkedIn