Werkstoff: Stahl C45, brüniert. Schraube Stahl 12.9.

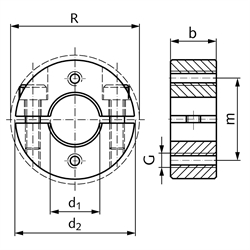
Ausführung GA: Mit zwei axialen Befestigungs-Gewindebohrungen.

Das Gewinde der Klemmschraube DIN 912 ist mit einer Polyamidschicht überzogen.
Breitentoleranz b: +0,08 mm / -0,25 mm. Temperaturbereich: -40ºC bis +175ºC.

Merkmale: Beschädigen nicht die Welle, größere Haltekräfte als Stellringe, gleichmäßige Verteilung der Klemmkräfte,
einfache Neujustierung, absolut präzise Bohrungen.

Vorteile: Die schwarze Oxydschicht auf den Klemmringen aus Stahl ist Teil der gesamten Leistungsfähigkeit. Sie verbessert
die Haltekräfte, vermindert effektiv Rutschen auf den Wellen, vermindert Stick-Slip-Effekt und sorgt für die Einhaltung der
Auslegung der Schraubendrehmomente. Zusätzlich dient diese Oxydschicht als Korrosionsschutz.


Service:

Katalogseite



Die angebotenen CAD-Daten, Abbildungen und technischen Zeichnungen werden mit größtmöglicher Sorgfalt erstellt.
Dennoch kann keine Gewährleistung für die Fehlerfreiheit und Genauigkeit dieser Daten übernommen werden.

( freibleibend aus Lagervorrat / kurzfristig lieferbar / Lieferzeit nach Vereinbarung. Bitte fragen Sie nach. )
Artikel Menge Ø d1
[mm]
Ø d2
[mm]
Ø Rmax.
[mm]
b
[mm]
Schrauben
DIN 912
m
[mm]
G
[mm]
Gewicht
[g]
62341000GA
1028-9M3 x 1019M335
62341200GA
123031,811M4 x 1221M445
62341400GA
143233,911M4 x 1423M450
62341500GA
153639,413M5 x 1625,5M576
62341600GA
163839,413M5 x 1627M585
62341800GA
184041,213M5 x 1629M592
62342000GA
204246,415M6 x 1631M5111
62342200GA
224648,115M6 x 1634M6134
62342500GA
254850,815M6 x 1636,5M6141
62342800GA
2854-15M6 x 1641M6179
62343000GA
305658,615M6 x 1843M6186
62343200GA
325858,615M6 x 1845M6197
62343500GA
356061,615M6 x 1847,5M6199
62343800GA
3866-15M6 x 1852M6239
62344000GA
4066-15M6 x 1853M6237
62344500GA
457679,419M8 x 2560,5M8400
62345000GA
508284,219M8 x 2566M8449


zur Gruppe


Impressum AGB Hilfe Index


MÄDLER on Facebook Facebook MÄDLER on Youtube YouTube MÄDLER on X X MÄDLER on Instagram Instagram MÄDLER on Xingk Xing MÄDLER on Linkedin LinkedIn