Werkstoff: Elastomer: Naturkautschuk 62° +/-5° Shore. Metallteile: Stahl Güte 5.6, verzinkt.

Maschinenfüße mit Abreißsicherung sind universell verwendbare Elemente für die elastische Lagerung von Maschinen jeglicher Art. Speziell für Einsatzfälle, bei denen mit Zugkräften zu rechnen ist, bieten sich die abreißgesicherten Maschinenfüße als ideale Federelemente an. Die angegebene Dauerbelastung ist der Maximalwert bei statischer Belastung für Zug und Druck. Bei Zugbelastung findet keine Federung oder Dämpfung statt. Die angegebenen Werte sind Richtwerte für die statische Belastung bei einer Gummihärte von 62º Shore A (mittel), +/- 20%.

1) Mittlere Federrate.

2) Zul. stat. max. Dauerbelastung. Bei Zugbelastung keine Federung / Dämpfung.

Service:

Katalogseite



Die angebotenen CAD-Daten, Abbildungen und technischen Zeichnungen werden mit größtmöglicher Sorgfalt erstellt.
Dennoch kann keine Gewährleistung für die Fehlerfreiheit und Genauigkeit dieser Daten übernommen werden.

( freibleibend aus Lagervorrat / kurzfristig lieferbar / Lieferzeit nach Vereinbarung. Bitte fragen Sie nach. )
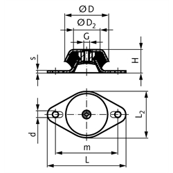
Artikel Menge D
[mm]
D2
[mm]
d
[mm]
G
[mm]
H
[mm]
L
[mm]
L2
[mm]
m
[mm]
s
[mm]
CDmittel1)
[N/mm]
Fzul.2)
[N]
Einfederung
[mm]
Gewicht
[kg]
68594000
48386,2M8238150681,5125012501,00,10
68594500
60468,3 x 16M10311066075 - 903250037501,50,23
68595000
77599,0M1030128771102250050002,00,52
68595200
826411M1035128821103350070002,00,41
68595500
9273,510,5M1245138951103330082502,50,62
68596000
1068114 x 18M1238172108138 - 14634100102502,50,66
68596500
1088316,5M16501901121605320096003,01,26
68597000
1219213,5M164218812215833400102003,00,98
68597500
14412014 x 18M164821614418643600136503,81,62


zur Gruppe


Impressum AGB Hilfe Index


MÄDLER on Facebook Facebook MÄDLER on Youtube YouTube MÄDLER on X X MÄDLER on Instagram Instagram MÄDLER on Xingk Xing MÄDLER on Linkedin LinkedIn