Werkstoff: Aluminium poliert.

Kupplungssatz eingebaut. Nur mit drehbarem Zylindergriff aus Kunststoff mit Stahlgewindezapfen und mit Nabennut lieferbar. Nach Vorschrift zur Unfallverhütung müssen Handräder an Spindeln so befestigt sein, dass sie vom maschinellen Antrieb nicht mitgedreht werden. Diese Forderung erfüllen die Sicherheitshandräder. Vorgang: Unbetätigt ist das Rad ausgekuppelt. Durch axiales Verschieben des Rades (Ziehen) werden zwei kerbverzahnte Radkränze ineinandergeschoben. Das Rad ist nun formschlüssig mit der Welle verbunden. Nach dem ""Loslassen"" des Rades kuppelt es sich selbsttätig wieder aus. Die Kupplungselemente sind in einem geschlossenen Kupplungssatz zusammengefasst. Kupplungssatz aus Stahl, nitriert, Laufflächen geschliffen und PTFE-beschichtet, daher gute Gleiteigenschaften und besten Verschleißwiderstand. Eineölbohrung ist vorhanden und mit einem Drucköler in der Radnabe verbunden. Regelmäßiges Ölen ist Voraussetzung für ein einwandfreies Funktionieren des Gleitlager-Kupplungssatzes. Das Einsatzgebiet dieser Handräder beschränkt sich auf niedrige oder nur kurzzeitig erhöhte Spindeldrehzahlen (z.B. Vorschubspindeln für Fräsmaschinentisch mit Eilgang). Die Kupplungssätze sind auch einzeln, zum Einbau in vorhandene Handräder, lieferbar. Preise auf Anfrage. Für etwaige Folgeschäden können wir keine Haftungübernehmen.

Service:

Katalogseite



Die angebotenen CAD-Daten, Abbildungen und technischen Zeichnungen werden mit größtmöglicher Sorgfalt erstellt.
Dennoch kann keine Gewährleistung für die Fehlerfreiheit und Genauigkeit dieser Daten übernommen werden.

( freibleibend aus Lagervorrat / kurzfristig lieferbar / Lieferzeit nach Vereinbarung. Bitte fragen Sie nach. )
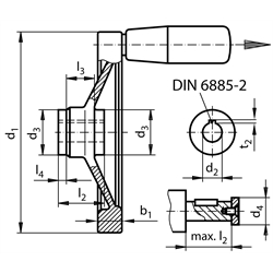
Artikel Menge d1
[mm]
d2H7
[mm]
d3
[mm]
d4 max.
[mm]
b1
[mm]
l2
[mm]
l3
[mm]
l4
[mm]
t2
[mm]
Griff-Ø
[mm]
Griff-Länge
[mm]
Gewicht
[g]
67061200
1251228171528,51851,12368552
67061400
14012281716,528,51851,12368660
67061600
1601432211832,52061,32683907
67062000
20018382620,536,52461,726831324
67062500
2502245302347,528121,728932122


zur Gruppe


Impressum AGB Hilfe Index


MÄDLER on Facebook Facebook MÄDLER on Youtube YouTube MÄDLER on X X MÄDLER on Instagram Instagram MÄDLER on Xingk Xing MÄDLER on Linkedin LinkedIn