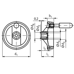
Werkstoff: Kunststoff Thermoplast verstärkt, schlagfest schwarz, matt, Nabenbuchse Stahl brüniert.

Ms-Gewindebuchse zum Einschrauben des Zylindergriffs. Drehbarer Zylindergriff Kunststoff schwarz. Modernes, ergonomisches Design. Einwandfreie Oberfläche ohne Einfallstellen und sehr guter Rundlauf des Radkranzes.

Passfedernut gegen Mehrpreis.

Service:

Katalogseite



Die angebotenen CAD-Daten, Abbildungen und technischen Zeichnungen werden mit größtmöglicher Sorgfalt erstellt.
Dennoch kann keine Gewährleistung für die Fehlerfreiheit und Genauigkeit dieser Daten übernommen werden.

( freibleibend aus Lagervorrat / kurzfristig lieferbar / Lieferzeit nach Vereinbarung. Bitte fragen Sie nach. )
Artikel Menge d1
[mm]
d2 H7
[mm]
d3
[mm]
d4
[mm]
d6
[mm]
b1
[mm]
l1
[mm]
l2
[mm]
Griff Ø
[mm]
Grifflänge
[mm]
Gewicht
[g]
67570800
8082520,5181835171645106
67571000
1001025,520,5182037171860150
67571200
125123126222244222265248
67571600
160144031262551272375379
67572000
2002048,536302861342480561
67572500
250205844353270382590880


zur Gruppe


Impressum AGB Hilfe Index


MÄDLER on Facebook Facebook MÄDLER on Youtube YouTube MÄDLER on X X MÄDLER on Instagram Instagram MÄDLER on Xingk Xing MÄDLER on Linkedin LinkedIn