Werkstoff: Elastomer NBR, schwarz, Shorehärte 75º +/-5º A. Metallteil Stahl verzinkt, blau chromatiert.

Form E = Mit verzinkter Stahlgewindebuchse.

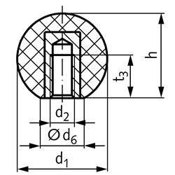
Vielseitig einsetzbarer, vibrationsdämpfender Griffknopf aus ölbeständigem NBR.

Temperaturbereich: -10°C bis +100ºC.

Service:

Katalogseite



Die angebotenen CAD-Daten, Abbildungen und technischen Zeichnungen werden mit größtmöglicher Sorgfalt erstellt.
Dennoch kann keine Gewährleistung für die Fehlerfreiheit und Genauigkeit dieser Daten übernommen werden.

( freibleibend aus Lagervorrat / kurzfristig lieferbar / Lieferzeit nach Vereinbarung. Bitte fragen Sie nach. )
Artikel Menge d1
[mm]
d2
[mm]
d6
[mm]
h
[mm]
t3
[mm]
Gewicht
[g]
66451604
16M481564
66452005
20M512187,511
66452006
20M612187,510
66452506
25M61522,5921
66452508
25M81522,5919
66453208
32M818291242
66453210
32M1018291238
66454010
40M1022371580
66454012
40M1222371576


zur Gruppe


Impressum AGB Hilfe Index


MÄDLER on Facebook Facebook MÄDLER on Youtube YouTube MÄDLER on X X MÄDLER on Instagram Instagram MÄDLER on Xingk Xing MÄDLER on Linkedin LinkedIn