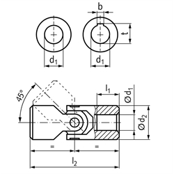
Werkstoff: Stahl. Max. Ablenkungswinkel 45°.

Die nadelgelagerten Wellengelenke sind nahezu spielfrei und zeichnen sich durch hohe Genauigkeit sowie gute Dreheigenschaften aus. Die besonderen Miniaturnadelwälzlager ohne Käfig erlauben sehr hohe Belastung auch bei großen Ablenkungswinkeln.

Wahlweise beidseitig ohne Nut oder beidseitig mit Passfedernut nach DIN 6885-1.

Service:

Katalogseite

Zusätzliche Informationen



Die angebotenen CAD-Daten, Abbildungen und technischen Zeichnungen werden mit größtmöglicher Sorgfalt erstellt.
Dennoch kann keine Gewährleistung für die Fehlerfreiheit und Genauigkeit dieser Daten übernommen werden.

( freibleibend aus Lagervorrat / kurzfristig lieferbar / Lieferzeit nach Vereinbarung. Bitte fragen Sie nach. )
Artikel Menge d1H7
[mm]
d2
[mm]
l1
[mm]
l2
[mm]
bJS9
[mm]
t
[mm]
zul.max.Drehmom. bei : 250 min -1
[Nm]
bei 500 min -1
[Nm]
bei 1000 min -1
[Nm]
bei 2000 min -1
[Nm]
bei 3000 min -1
[Nm]
bei 4000 min -1
[Nm]
Gewicht
[kg]
63111600
8161552--6,96,96,96,9--0,05
63111600N
8161552296,96,96,96,9--0,05
63112200
10201862--26,420,416,813,21210,80,10
63112200N
10201862311,426,420,416,813,21210,80,10
63112600
14252074--40,834,828,826,42421,60,18
63112600N
14252074516,340,834,828,826,42421,60,18
63113200
16322486--7866544844,438,40,33
63113200N
16322486518,37866544844,438,40,33
63113700
18371772--9073,260544843,20,40
63113700N
18371772620,89073,260544843,20,40
63114000
204030108--1681441209684780,71
63114000N
204030108622,81681441209684780,71
63115000
255038132--2402041561321081021,33
63115000N
255038132828,32402041561321081021,33
63116300
306345166--3603242762281921682,78
63116300N
306345166833,33603242762281921682,78
63117000
357035140--391332284238202-2,75
63117000N
3570351401038,3391332284238202-2,75
63118000
408050180--438364306246223-4,93
63118000N
4080501801243,3438364306246223-4,93


zur Gruppe


Impressum AGB Hilfe Index


MÄDLER on Facebook Facebook MÄDLER on Youtube YouTube MÄDLER on X X MÄDLER on Instagram Instagram MÄDLER on Xingk Xing MÄDLER on Linkedin LinkedIn