Werkstoff Ausführung 310: Gehäuse: Stahl, verzinkt.  Kugelpfanne: Stahl, einsatzgehärtet.  Kugel: Stahl, gehärtet.

Werkstoff Ausführung 320: Gehäuse: Stahl, verzinkt.  Kugelpfanne: Stahl, einsatzgehärtet.  Kugel: Edelstahl, Werkstoff-Nr. 1.3541, gehärtet.


Premium-Kugelrolle für lange Nutzungsdauer bei besonders geräuscharmem Lauf. Mit integrierten Befestigungskrallen.
Mit Filzdichtung. Wegen der besonderen Deckelform ist die Verwendung unseres Montagedorns empfohlen.
Max. Geschwindigkeit 2m/sec.Temperaturbereich -30°C bis +100°C.

Allgemeine Hinweise: Auf einer Kugelrollbahn tragen aufgrund von Unebenheiten oft nur drei Rollen. Daher ist eine Tragzahl zu wählen, die mindestens einem Drittel der Last entspricht. Maximaler Abstand der Kugelrollen = Kantenlänge des Objekts geteilt durch 2,5.

Service:

Katalogseite



Die angebotenen CAD-Daten, Abbildungen und technischen Zeichnungen werden mit größtmöglicher Sorgfalt erstellt.
Dennoch kann keine Gewährleistung für die Fehlerfreiheit und Genauigkeit dieser Daten übernommen werden.

( freibleibend aus Lagervorrat / kurzfristig lieferbar / Lieferzeit nach Vereinbarung. Bitte fragen Sie nach. )
Artikel Menge AusführungGröße
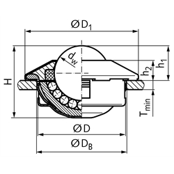
Ø dw
[mm]
Tragzahl
[N]
Ø D
[mm]
Ø D1
[mm]
Aufnahme-Ø
DB
[mm]
H
[mm]
h1
[mm]
h2
[mm]
Tmin
[mm]
Gewicht
[kg]
Artikel-Nr.
Montagedorn*
65431015
3101550024 -0,133124 +0,520,09,5 ±0,25,51,50,044654 300 15
65431022
31022130036 -0,164536 +0,828,69,8 ±0,26,22,00,146654 300 22
65431030
31030250045 -0,255545 +1,037,213,8 ±0,38,22,50,290654 300 30
65432015
3201537024 -0,133124 +0,520,09,5 ±0,25,51,50,044654 300 15
65432022
3202297036 -0,164536 +0,828,69,8 ±0,26,22,00,146654 300 22
65432030
32030190045 -0,255545 +1,037,213,8 ±0,38,22,50,290654 300 30


zur Gruppe


Impressum AGB Hilfe Index


MÄDLER on Facebook Facebook MÄDLER on Youtube YouTube MÄDLER on X X MÄDLER on Instagram Instagram MÄDLER on Xingk Xing MÄDLER on Linkedin LinkedIn