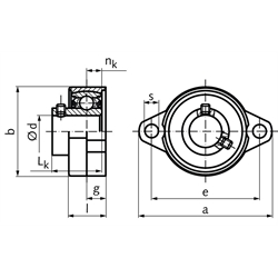
Werkstoff: Gehäuse aus Zinkdruckguss. Lagereinsatz aus Wälzlagerstahl.

Der Lagereinsatz kann im Gehäuse geschwenkt werden, um Fluchtungsfehler bei der Montage auszugleichen. Die Welle wird mit 2 Stellschrauben befestigt. Das Lager ist für normale Betriebsverhältnisse lebensdauergeschmiert.

1) Max. radiale Belastbarkeit bei Axialkraft = 0. Die axiale Tragzahl beträgt ca. 20% der radialen Tragzahl.


Service:

Katalogseite

Zusätzliche Informationen



Die angebotenen CAD-Daten, Abbildungen und technischen Zeichnungen werden mit größtmöglicher Sorgfalt erstellt.
Dennoch kann keine Gewährleistung für die Fehlerfreiheit und Genauigkeit dieser Daten übernommen werden.

( freibleibend aus Lagervorrat / kurzfristig lieferbar / Lieferzeit nach Vereinbarung. Bitte fragen Sie nach. )
Artikel Menge Nr.d
[mm]
a
[mm]
b
[mm]
e
[mm]
g
[mm]
l
[mm]
s
[mm]
Lk
[mm]
nk
[mm]
Lager Tragzahlen1)
dyn. C
[kN]
Lager Tragzahlen1)
stat. Co
[kN]
Gewicht
[g]
62660800
0884827374,58,54,811,53,54,21,650
62661000
000106036455,511,571544,72,060
62661200
001126338485,511,571545,22,4570
62661500
002156742536,513716,54,55,72,980
62661700
00317714656714717,556,13,35100
62662000
00420905571816102169,555,15170
62662500
005259560758161022,5610,35,95210


zur Gruppe


Impressum AGB Hilfe Index


MÄDLER on Facebook Facebook MÄDLER on Youtube YouTube MÄDLER on X X MÄDLER on Instagram Instagram MÄDLER on Xingk Xing MÄDLER on Linkedin LinkedIn