Werkstoff: Grauguss GG25.

Bis Größe 20mm mit Langlöchern zur Befestigung. Bohrungspassungtoleranz ISO D9.

Service:

Katalogseite



Die angebotenen CAD-Daten, Abbildungen und technischen Zeichnungen werden mit größtmöglicher Sorgfalt erstellt.
Dennoch kann keine Gewährleistung für die Fehlerfreiheit und Genauigkeit dieser Daten übernommen werden.

( freibleibend aus Lagervorrat / kurzfristig lieferbar / Lieferzeit nach Vereinbarung. Bitte fragen Sie nach. )
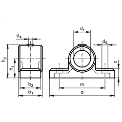
Artikel Menge d1
[mm]
Bohrungstoleranz
[mm]
a
[mm]
b1
[mm]
b2
[mm]
c
[mm]
d4
[mm]
d6
[mm]
h1
[mm]
h2
[mm]
m
[mm]
Gewicht
[kg]
62001500
15+0,093/+0,05095423518,559 x 143051650,60
62002000
20+0,117/+0,06595423518,559 x 143051650,50
62002500
25+0,117/+0,065116504017,55133561740,66
62003000
30+0,117/+0,065116504017,55153561740,57
62003500
35+0,142/+0,080130554524,06174377851,20
62004000
40+0,142/+0,080145635024,06184881951,40


zur Gruppe


Impressum AGB Hilfe Index


MÄDLER on Facebook Facebook MÄDLER on Youtube YouTube MÄDLER on X X MÄDLER on Instagram Instagram MÄDLER on Xingk Xing MÄDLER on Linkedin LinkedIn