Werkstoff: Grauguss GG25. Buchse aus Rotguss RG7 (CuSn7Zn4Pb7-C).

Bohrungstoleranz: ISO D10.

Service:

Katalogseite



Die angebotenen CAD-Daten, Abbildungen und technischen Zeichnungen werden mit größtmöglicher Sorgfalt erstellt.
Dennoch kann keine Gewährleistung für die Fehlerfreiheit und Genauigkeit dieser Daten übernommen werden.

( freibleibend aus Lagervorrat / kurzfristig lieferbar / Lieferzeit nach Vereinbarung. Bitte fragen Sie nach. )
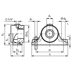
Artikel Menge d1
[mm]
Bohrungstoleranz
[mm]
a
[mm]
b1
[mm]
b2
[mm]
c
[mm]
d3
[mm]
d6
[mm]
d7
[mm]
h1
[mm]
h2 max.
[mm]
m
[mm]
Gewicht
[kg]
62013000
30+0,149/+0,0651606045258015M 1250951203,0
62014000
40+0,18/+0,081907050309019M 16601101404,2
62015000
50+0,18/+0,0822080553510024M 20701251605,5
62016000
60+0,22/+0,1024090603512024M 20801451808,3
62017000
70+0,22/+0,10270100704514028M 249016521011,6
62018000
80+0,22/+0,10300100804516028M 2410018524017,0


zur Gruppe


Impressum AGB Hilfe Index


MÄDLER on Facebook Facebook MÄDLER on Youtube YouTube MÄDLER on X X MÄDLER on Instagram Instagram MÄDLER on Xingk Xing MÄDLER on Linkedin LinkedIn