Werkstoff: Stahl, verzinkt.

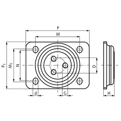
Einfaches Druckkugellager mit einer Kugelreihe, geeignet für Drehteller, oder ähnliche Geräte mit gleichmäßiger Lastverteilung. Aufgrund der einfachen Bauart nicht für Momente außerhalb der Drehachse ausgelegt. Die Montage darf ausschließlich horizontal erfolgen.

Typ A: Mit Flansch am Drehteller.
Typ B: Ohne Flansch am Drehteller.

* Kein Langloch, Bohrung mit Ø d.


Service:

Katalogseite



Die angebotenen CAD-Daten, Abbildungen und technischen Zeichnungen werden mit größtmöglicher Sorgfalt erstellt.
Dennoch kann keine Gewährleistung für die Fehlerfreiheit und Genauigkeit dieser Daten übernommen werden.

( freibleibend aus Lagervorrat / kurzfristig lieferbar / Lieferzeit nach Vereinbarung. Bitte fragen Sie nach. )
Artikel Menge TypD
[mm]
d
[mm]
H
[mm]
P
[mm]
P1
[mm]
M
[mm]
M1
[mm]
N
[mm]
G
[mm]
Tragkraft
[kg]
Gewicht
[kg]
77790301
A606,5*1257574343--500,1
77790302
A87,56,5*1795 707545--2800,3
77790303
B2891910585806053M105000,5
77790304
B4311291381091058075M126001,2


zur Gruppe


Impressum AGB Hilfe Index


MÄDLER on Facebook Facebook MÄDLER on Youtube YouTube MÄDLER on X X MÄDLER on Instagram Instagram MÄDLER on Xingk Xing MÄDLER on Linkedin LinkedIn