Werkstoff: Gehäuse aus Edelstahl 1.4301(X5CrNi18-10). Lagereinsatz aus Edelstahl 1.4125 (X105CrMo17), gefettet mit Lebensmittelfett FM 222, mit Zulassung FDA, CIFA, KPF2K-20, NSF H1.
Die Gehäuselager sind besonders zum Einsatz in der Lebensmittel-, Getränke- und pharmazeutischen Industrie geeignet. Temperaturbereich: -20°C bis + 90°C (kurzzeitig +120°C). .
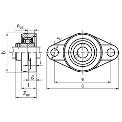
2-Loch-Ausführung.
Der Lagereinsatz kann im Gehäuse geschwenkt werden, um Fluchtungsfehler bei der Montage auszugleichen.
Die Welle wird mit 2 Stellschrauben befestigt. Das Lager ist für normale Betriebsverhältnisse lebensdauergeschmiert, kann aber nachgeschmiert werden.
Lieferung inkl. Edelstahl-Schmiernippel.

Service:

Katalogseite

Zusätzliche Informationen



Die angebotenen CAD-Daten, Abbildungen und technischen Zeichnungen werden mit größtmöglicher Sorgfalt erstellt.
Dennoch kann keine Gewährleistung für die Fehlerfreiheit und Genauigkeit dieser Daten übernommen werden.

( freibleibend aus Lagervorrat / kurzfristig lieferbar / Lieferzeit nach Vereinbarung. Bitte fragen Sie nach. )
Artikel Menge TypBohrung
[mm]
a
[mm]
b
[mm]
e
[mm]
i
[mm]
g
[mm]
l
[mm]
s
[mm]
Zuc
[mm]
nuc
[mm]
Lager-Tragzahl dyn. C
[kN]
Lager-Tragzahl stat. C0
[kN]
Gewicht
[kg]
62699112
201121136090151125,51233,312,712,86,70,70
62699115
202151136090151125,51233,312,712,86,70,68
62699117
203171136090151125,51233,312,712,86,70,67
62699120
204201136090151125,51233,312,712,86,70,65
62699125
2052513068991613271635,814,314,07,90,83
62699130
20630148801171813311640,215,919,511,31,26
62699135
20735161901301915341644,417,525,715,31,68
62699140
208401751001442115361651,21929,518,22,25
62699145
209451881081482216381952,21931,720,72,60
62699150
210501971151572216401954,61935,123,22,99


zur Gruppe


Impressum AGB Hilfe Index


MÄDLER on Facebook Facebook MÄDLER on Youtube YouTube MÄDLER on X X MÄDLER on Instagram Instagram MÄDLER on Xingk Xing MÄDLER on Linkedin LinkedIn