Werkstoff: Edelstahl 1.4568 (V4A).

Die MSD-N Spannbuchse besteht aus einer doppelwandigen gehärteten Stahlhülse, die mit einem speziellen Druckmedium gefüllt ist, einem Dichtring, einem Kolben sowie einem Druckflansch und Anzugsschrauben. Werden die Schrauben angezogen, expandieren die Hülsen gleichförmig gegen Welle und Nabe und bewirken eine feste Verbindung. Beim Lösen der Schrauben geht die Buchse in ihren Ursprungszustand zurück und kann leicht demontiert werden.

Rundlaufgenauigkeit: 0,03 - 0,06 mm.

Toleranzen: Welle h8 (Ø 15 mm nur h7), Nabe H7.

Temperaturbereich: - 30 °Cbis + 85 °C.

T = übertragbares Drehmoment bei Axialkraft gleich 0, wenn die Schrauben angezogen sind mit TA .

Fax = übertragbare Axialkraft bei Drehmoment gleich 0, wenn die Schrauben angezogen sind mit TA .

Fr = maximal übertragbare Radialkraft.

TA = erforderliches Anzugsdrehmoment für die Schrauben.

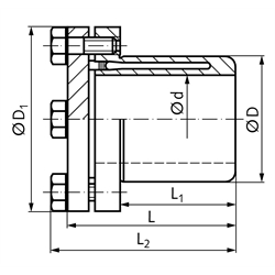
Die Dimensionen gelten für Buchsen vor der Montage.

Service:

Katalogseite



Die angebotenen CAD-Daten, Abbildungen und technischen Zeichnungen werden mit größtmöglicher Sorgfalt erstellt.
Dennoch kann keine Gewährleistung für die Fehlerfreiheit und Genauigkeit dieser Daten übernommen werden.

( freibleibend aus Lagervorrat / kurzfristig lieferbar / Lieferzeit nach Vereinbarung. Bitte fragen Sie nach. )
Artikel Menge d
[mm]
D
[mm]
D1
[mm]
L
[mm]
L1
[mm]
L2
[mm]
Übertragbares Drehmoment T
[Nm]
Übertragbare Axialkraft Fax
[kN]
Übertragbare Radialkraft Fr
[kN]
PW
[N/mm²]
PN
[N/mm²]
Schraubenanzahl
[Stück]
Schraubengröße
[DIN 933, A4]
Anzugsmoment TA
[Nm]
Gewicht
[kg]
61599315
152338301733,54562,590704M54,50,10
61599320
202845372240,5100106,690705M54,50,16
61599325
253449432746,521016,810,690707M54,50,21
61599330
304157473250,535023,314,790707M54,50,30
61599335
354763553758,550028,518,890709M54,50,41
61599340
405370634366,575037,522,890709M54,50,58
61599345
455977694973110048,826,990709M67,80,74
61599350
50658376538015506230,990709M67,80,92


zur Gruppe


Impressum AGB Hilfe Index


MÄDLER on Facebook Facebook MÄDLER on Youtube YouTube MÄDLER on X X MÄDLER on Instagram Instagram MÄDLER on Xingk Xing MÄDLER on Linkedin LinkedIn