Werkstoff: Vergütungsstahl, Festigkeitsklasse 10, schwarz.

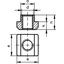
T-Nuten-Muttern nach zurückgezogener Norm DIN 508. Passend in T-Nuten DIN 650 / ISO 299.

Service:

Katalogseite



Die angebotenen CAD-Daten, Abbildungen und technischen Zeichnungen werden mit größtmöglicher Sorgfalt erstellt.
Dennoch kann keine Gewährleistung für die Fehlerfreiheit und Genauigkeit dieser Daten übernommen werden.

( freibleibend aus Lagervorrat / kurzfristig lieferbar / Lieferzeit nach Vereinbarung. Bitte fragen Sie nach. )
Artikel Menge d
[mm]
für T-Nuten DIN 650
[mm]
a
[mm]
e
[mm]
h
[mm]
k
[mm]
Gewicht
[g]
65510405
M454,696,532
65510406
M465,610843
65510506
M565,610843
65510508
M587,6131068
65510608
M687,6131068
65510510
M5109,61512614
65510610
M6109,61512614
65510810
M8109,61512614
65510612
M61211,61814722
65510812
M81211,61814722
65511012
M101211,61814722
65510814
M81413,62216834
65511014
M101413,62216834
65511214
M121413,62216834
65511216
M121615,62518950
65511416
M141615,62518950
65511218
M121817,628201068
65511418
M141817,628201068
65511618
M161817,628201068
65511620
M162019,6322412117
65511820
M182019,6322412111
65512022
M202221,6352814155
65512024
M202423,6403216235
65512224
M222423,6403216227
65512428
M242827,6443618315
65513036
M303635,5544422595
65513642
M364241,56552261000


zur Gruppe


Impressum AGB Hilfe Index


MÄDLER on Facebook Facebook MÄDLER on Youtube YouTube MÄDLER on X X MÄDLER on Instagram Instagram MÄDLER on Xingk Xing MÄDLER on Linkedin LinkedIn