Werkstoff: Vergütungsstahl, brüniert.
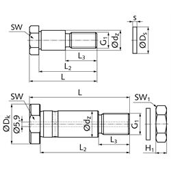
• Zentrische Zapfen zur Montage von Profillaufrollen in fester Position.
• Ein Wagen wird normalerweise mit vier Rollen versehen: Auf der einen Seite zwei Rollen mit zentrischen Zapfen. Auf der anderen Seite zwei Rollen mit exzentrischen Zapfen, damit der Wagen spielfrei eingestellt werden kann.
• Die Zuordnung des Zapfens zur Profillaufrolle erfolgt nach Linearwellenstahldurchmesser dw und Zapfendurchmesser dz.
• Im Lieferumfang ist eine Scheibe enthalten, mit der die Profillaufrolle freigängig montiert werden kann (ab LFZ8).

Service:

Katalogseite



Die angebotenen CAD-Daten, Abbildungen und technischen Zeichnungen werden mit größtmöglicher Sorgfalt erstellt.
Dennoch kann keine Gewährleistung für die Fehlerfreiheit und Genauigkeit dieser Daten übernommen werden.

( freibleibend aus Lagervorrat / kurzfristig lieferbar / Lieferzeit nach Vereinbarung. Bitte fragen Sie nach. )
Artikel Menge Bezeichnungdw
[mm]
dz
[mm]
L
[mm]
L2
[mm]
L3
[mm]
DK
[mm]
G1
[mm]
H1
[mm]
S
[mm]
DS
[mm]
SW
[mm]
SW1
[mm]
Gewicht
[g]
64780301
LFZ54/6 519,5169,510M4- - -3 -6
64780303
LFZ86828,324,315 -M8-11412 -14
64780304
LFZ121012433622 -M10-1,82117 -34
64780305
LFZ12/M12101250,843,824 -M12-1,81917 -50
64780306
LFZ15101550,843,826 -M12-1,82119 -60
64780307
LFZ12x45A1121250451620M10x1,58221171740
64780308
LFZ20x67A1162075672330M16x1,5133302724200
64780309
LFZ25x82A120/252592823040M20x1,5163373630400
64780311
LFZ30x95A13030107 953245M24x1,5194444136620
64780312
LFZ40x107A140401171074255M30x1,52445646461100


zur Gruppe


Impressum AGB Hilfe Index


MÄDLER on Facebook Facebook MÄDLER on Youtube YouTube MÄDLER on X X MÄDLER on Instagram Instagram MÄDLER on Xingk Xing MÄDLER on Linkedin LinkedIn