Werkstoff: Klaue und Kupplungsteil: Vergütungsstahl, vergütet und phosphatiert. Kontermutter: Stahl, schwarz.

Mit Kupplungsmutter.

Die Schnellsteckkupplungen ermöglichen ein schnelles und unkompliziertes Verbinden und Trennen von Bauteilen. Zudem können sie betriebsbedingte Radialversätze effizient ausgleichen. Sie sind vielseitig einsetzbar und finden beispielsweise mit Hydraulik- oder Pneumatikzylindern oder beim Werkzeugwechsel in Maschinen Anwendung. Je nach Baugröße können die Kupplungen radiale Abweichungen von bis zu 1 mm zwischen den zu verbindenden Achsen ausgleichen.

Hinweis: Diese Kupplungen übertragen KEINE Drehmomente!


Service:

Katalogseite



Die angebotenen CAD-Daten, Abbildungen und technischen Zeichnungen werden mit größtmöglicher Sorgfalt erstellt.
Dennoch kann keine Gewährleistung für die Fehlerfreiheit und Genauigkeit dieser Daten übernommen werden.

( freibleibend aus Lagervorrat / kurzfristig lieferbar / Lieferzeit nach Vereinbarung. Bitte fragen Sie nach. )
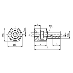
Artikel Menge d1
[mm]
d2
[mm]
d3
[mm]
≈ l1
[mm]
l3
[mm]
l5
[mm]
l6
[mm]
SW1
[mm]
SW2
[mm]
x
[mm]
FN
[kN]
Gewicht
[g]
60781506
M6211137,51191819100,62,546
60781508
M82614,445,013,511,522,524130,74,591
60781510
M10301956,215162927170,76,5159
60781510F
M10x1,25301956,215162927170,76,5159
60781512
M1232,521,266,717,5173430190,810224
60781512F
M12x1,2532,521,266,717,5173430190,810223
60781516
M16392783,02223423624118403
60781516F
M16x1,5392783,02223423624118403
60781520
M20443493,52523,545,54130130606
60781520F
M20x1,5443493,52523,545,54130130596


zur Gruppe


Impressum AGB Hilfe Index


MÄDLER on Facebook Facebook MÄDLER on Youtube YouTube MÄDLER on X X MÄDLER on Instagram Instagram MÄDLER on Xingk Xing MÄDLER on Linkedin LinkedIn