Werkstoff: Flansch- und Kupplungsteil: Vergütungsstahl, vergütet und phosphatiert. Kontermutter: Stahl, schwarz.

Mit Kupplungsschraube.

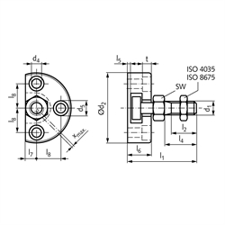
Die Schnellsteckkupplungen ermöglichen ein schnelles und unkompliziertes Verbinden und Trennen von Bauteilen. Zudem können sie betriebsbedingte Radialversätze effizient ausgleichen. Der Anschraubflansch sorgt für eine sichere Befestigung, zusätzliche Stabilität und eine höhere Betriebszuverlässigkeit. Sie sind vielseitig einsetzbar und finden beispielsweise in industriellen Förderanlagen oder Montagevor-richtungen Anwendung. Je nach Baugröße können die Kupplungen radiale Abweichungen von bis zu 1 mm zwischen den zu verbindenden Achsen ausgleichen.

Hinweis: Diese Kupplungen übertragen KEINE Drehmomente!

Service:

Katalogseite



Die angebotenen CAD-Daten, Abbildungen und technischen Zeichnungen werden mit größtmöglicher Sorgfalt erstellt.
Dennoch kann keine Gewährleistung für die Fehlerfreiheit und Genauigkeit dieser Daten übernommen werden.

( freibleibend aus Lagervorrat / kurzfristig lieferbar / Lieferzeit nach Vereinbarung. Bitte fragen Sie nach. )
Artikel Menge d1
[mm]
d2
[mm]
d4
[mm]
d5
[mm]
≈ l1
[mm]
l2
[mm]
l4
[mm]
l5
[mm]
l6
[mm]
l7
[mm]
l8
[mm]
t
[mm]
SW
[mm]
x
[mm]
FN
[kN]
Gewicht
[g]
60782006
M6425,51030,511143117145,4100,62,575
60782008
M8486,61135,513,5173138166,4130,74,5118
60782010
M10506,61143,216204,2169176,4170,76,5175
60782010F
M10x1,25506,61143,216204,2169176,4170,76,5176
60782012
M12556,61153,221254,220,510196,4190,810279
60782012F
M12x1,25556,61153,221254,220,510196,4190,810280
60782016
M166591564253052312,522,58,524118455
60782016F
M16x1,56591564253052312,522,58,524118454
60782020
M2080111874293552617281030130810
60782020F
M20x1,580111874293552617281030130812


zur Gruppe


Impressum AGB Hilfe Index


MÄDLER on Facebook Facebook MÄDLER on Youtube YouTube MÄDLER on X X MÄDLER on Instagram Instagram MÄDLER on Xingk Xing MÄDLER on Linkedin LinkedIn