Werkstoff: Kettenräder aus Edelstahl 1.4301 (V2A).

Kugellager aus rostfreiem Wälzlagerstahl. Schraube und Muttern aus Edelstahl.

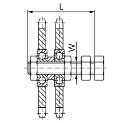
Die Kettenräder können auf der Schraube verschoben und somit auf die Kettenspur eingestellt werden. Mittels der Muttern werden sie in der Position festgesetzt. Die dauergeschmierten 2Z-Lager ermöglichen einen leichten Lauf. Maßgenaue Distanzscheiben gewährleisten einen einwandfreien Eingriff der Verzahnung in die Kette. Temperaturbereich: -20º bis +120ºC.


Service:

Katalogseite



Die angebotenen CAD-Daten, Abbildungen und technischen Zeichnungen werden mit größtmöglicher Sorgfalt erstellt.
Dennoch kann keine Gewährleistung für die Fehlerfreiheit und Genauigkeit dieser Daten übernommen werden.

( freibleibend aus Lagervorrat / kurzfristig lieferbar / Lieferzeit nach Vereinbarung. Bitte fragen Sie nach. )
Artikel Menge DIN / ISO-Nr. Teilung
[Zoll]
passend zu Spannelement
[Größe]
ZähnezahlTeilkreis-Ø
[mm]
W
[mm]
L
[mm]
Gewicht
[kg]
140995012
06 B-23/8 x 7/32"1 und 21545,81M10550,15
140995052
08 B-21/2 x 5/16"1 und 21561,08M10700,40
140995062
10 B-25/8 x 3/8"31576,36M12800,60
140995072
12 B-23/4 x 7/16"31591,63M12801,00
140995082
16 B-21" x 17,02mm 413106,14M201201,90


zur Gruppe


Impressum AGB Hilfe Index


MÄDLER on Facebook Facebook MÄDLER on Youtube YouTube MÄDLER on X X MÄDLER on Instagram Instagram MÄDLER on Xingk Xing MÄDLER on Linkedin LinkedIn